bw必威西汉姆联官网

中文 | English

bw必威西汉姆联官网
服务热线:400 900 3950
  • 首页
  • bw必威西汉姆联官网
    • 公司介绍
    • 专家团队
    • 资质荣誉
    • 专利认证
  • 产品中心
    • 气载颗粒计数器
    • 激光粒度仪
      • LT3600 Plus激光粒度分析仪
      • LT2800 激光粒度分析仪
      • LT2200激光粒度分析仪
      • LT2200E激光粒度分析仪
      • LT2100系列激光粒度分析仪
    • 在线粒度仪
      • PATlink 1000 在线激光粒度监控系统
      • PATlink 3000 在线激光粒度监控系统
    • 纳米粒度仪
      • Nanolink SZ901纳米粒度分析仪
      • Nanolink SZ902纳米粒度分析仪
    • 喷雾粒度仪
      • Spraylink 高速喷雾粒度分析仪
    • 微孔径快速测量仪
    • 分散和进样系统
      • Hydrolink 湿法进样器
      • Hydrolink SV 小容量湿法进样器
      • Aerolink 干法进样器
      • Hydrolink SE湿法进样器
      • Hydrolink SM湿法进样器
      • Hydrolink AT全自动小容量湿法进样器
      • Hydrolink MV全自动微量湿法进样器
  • 新闻资讯
    • 公司新闻
    • 产品动态
    • 行业热点
  • 资源分享
    • 应用资料
    • 学术论文
    • 网上讲堂
  • 服务支持
    • 培训活动
    • 软件下载
    • 产品手册
  • 联系我们
    • 联系方式
    • 在线留言
新闻资讯
  • 公司新闻
  • 产品动态
  • 行业热点
网站首页  ◇  新闻资讯  ◇  bw必威西汉姆联官网正式发布新品PATlink 1000系列在线粒度分析系统
bw必威西汉姆联官网正式发布新品PATlink 1000系列在线粒度分析系统
  • 发布日期:2021-08-03     信息来源:销售部      浏览次数:609
    •        2021年7月28-30日第十九届中国国际粉体加工/散料输送展览会(以下简称IPB2021)在上海世博展览馆H2馆盛大开幕。IPB是中国粉体工业领域中最具代表性的“一站式”粉体展会,展会汇集了粉体加工生产过程从粉碎设备、分级、输送、包装、检测、安全及环保全过程的在世界上均具影响力的优秀展商。
       
             bw必威西汉姆联官网作为IPB上海粉体展的重要合作伙伴已经连续多年参与IPB展会及各项活动。在今年展会上,bw必威西汉姆联官网正式发布新品PATlink 1000系列在线粒度分析系统。
       
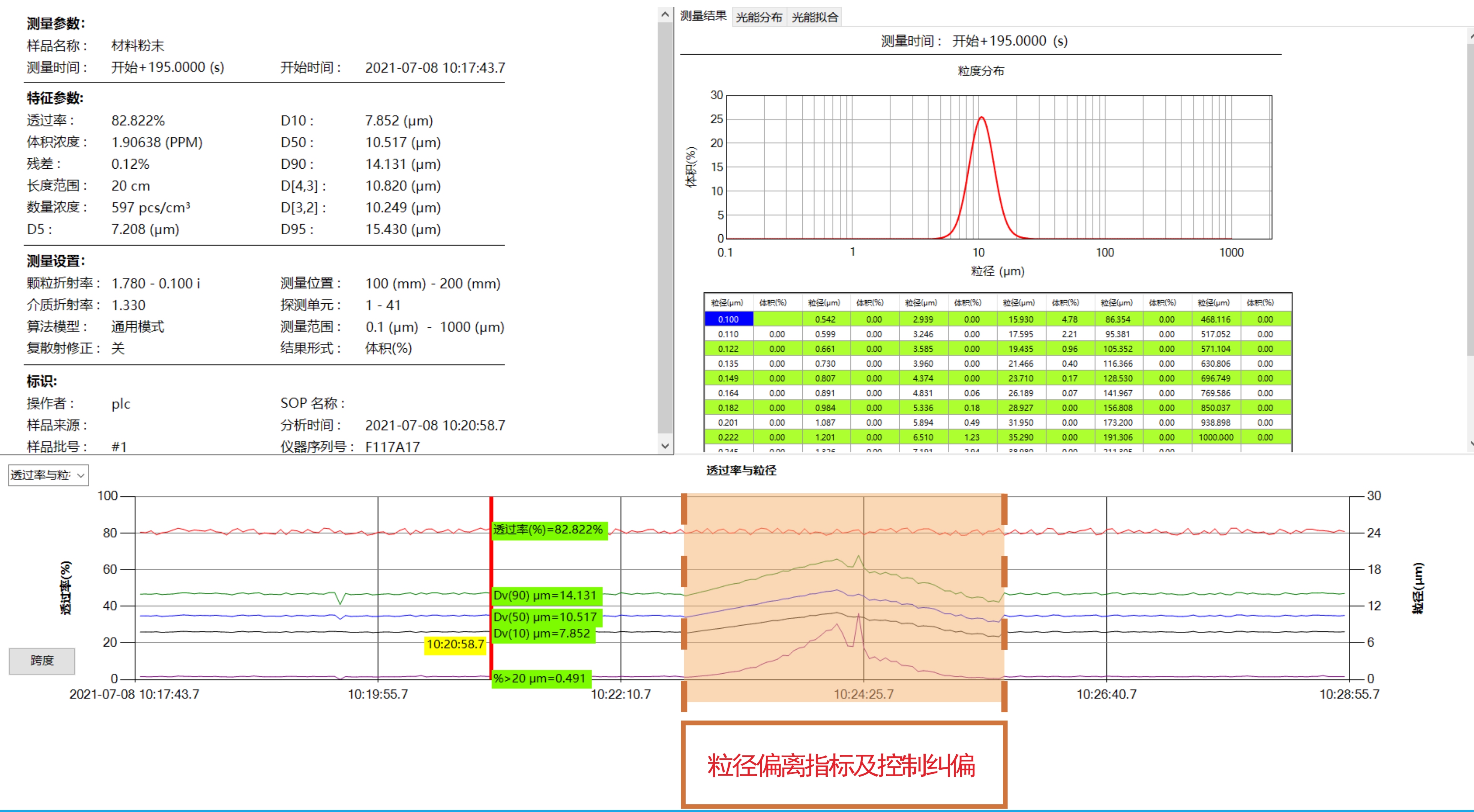
             PATlink 1000系统粒度测控范围是0.1-1000 µm,采用光缆连接控制室的计算机和粒度检测系统及控制单元,具有极强的抗干扰能力,并实现远距离的数据传输和控制。嵌入式仿真控制程序模块和界面,使所有阀门和气流状态一目了然。最高每秒5次的完整的粒度分布数据可通过满足Modbus RTU/TCP等标准工业通信控制协议的接口实时输送至用户的PLC系统,任何时刻的粒度指标的偏离都可触发对生产设备的自动调整和控制,确保产品颗粒粒度持续满足用户设定的指标要求。为众多粉体生产制造提供了保持24小时在线连续粒度测试与控制解决方案,可针对锂电池材料、原料药、非金属矿、粉末涂料、陶瓷材料、水泥和粉末冶金等领域企业提供定制化服务,实现了粉体生产过程粒度连续控制,既确保了产品质量同时又提高了生产效率。 
       
      技术特点:

           ● 粒度测控范围:0.1μm – 1000μm,无需变换透镜

           ● 采用完全米氏理论,仪器无需校准 

           ● 测量速度:最快每秒5次完整粒度

           ● 分布,每分钟能测量多达数百万个颗粒

           ● 使用带恒温系统的最大功率20mW的固体激光光源,即开即用,适合各种工况条件

           ● 采用光纤偏振保持及空间滤波专利技术,确保光路系统及激光输出无需任何机械调整

           ● 双气帘鞘流保护技术,最大程度减少测量窗口的污染和清洁维护

           ● 快夹固定锁紧单元,方便安装和保养

           ● 防水防尘性能达到IP65工业防护等级

           ● 满足EMC工业级电磁兼容性要求

           ● 支持Modbus RTU/TCP等工业控制通信协议, 连接客户PLC系统,实现全自动实时粒径数据传输和控制

           ● CE认证

      受益于PATlink1000在线粒度仪的使用:

           ● 闭环的过程优化及持续监测和控制

           ● 确保生产设备运行更接近目标值

           ● 减少不同批次产品间的差异

           ● 批量生产时开机后快速达到合格标准,

           ● 减少原料浪费和返工

       

  • 上一篇:第19届IPB上海国际粉体展 bw必威西汉姆联官网盛装亮相
    下一篇:在线粒度仪的检测准确与否还与哪些有重要关系?
  • 返回
    • 4009003950

    • sale@linkoptik.com

    • 珠海市高新区金唐路1号港湾1号科创园湾5栋3层

    版权所有BETWAY·必威(西汉姆联)官方网站-Official Website
    GoogleSitemap  粤ICP备16095914号  管理登陆   技术支持:化工仪器网

    •  
    • 座机:
      4009003950
      18675600816

    粤公网安备44049102497080号